01 64 05 90 15
contact@aec-bet.com
ACCUEIL
VRD
MOE BÂTIMENT
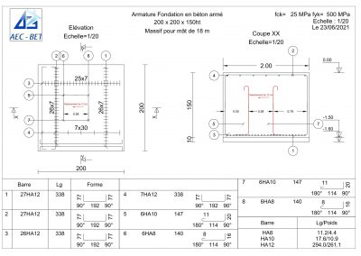
ÉTUDE D’EXÉCUTION EN BÉTON ARMÉ
CONTACT
Sélectionner une page
Etude d’exécution en béton armé
Massif pour candélabres- stades